
400₺ üzeri Ücretsiz Kargo
Hızlı Kargo Gönderimi
Güvenilir Alışveriş
LINEO 150 V0
-FAN ÖZELLİKLERİ-
V-50Hz : 220-240
W min/max : 40/58
A min/max : 0.18/0.26
RPM min/max : 1580/2100
m3/h min/max : 385/550
Pa min/max : 127.5/166.8
LP DB(A) 3m min/max : 41,4/50,5
Max °C : 60
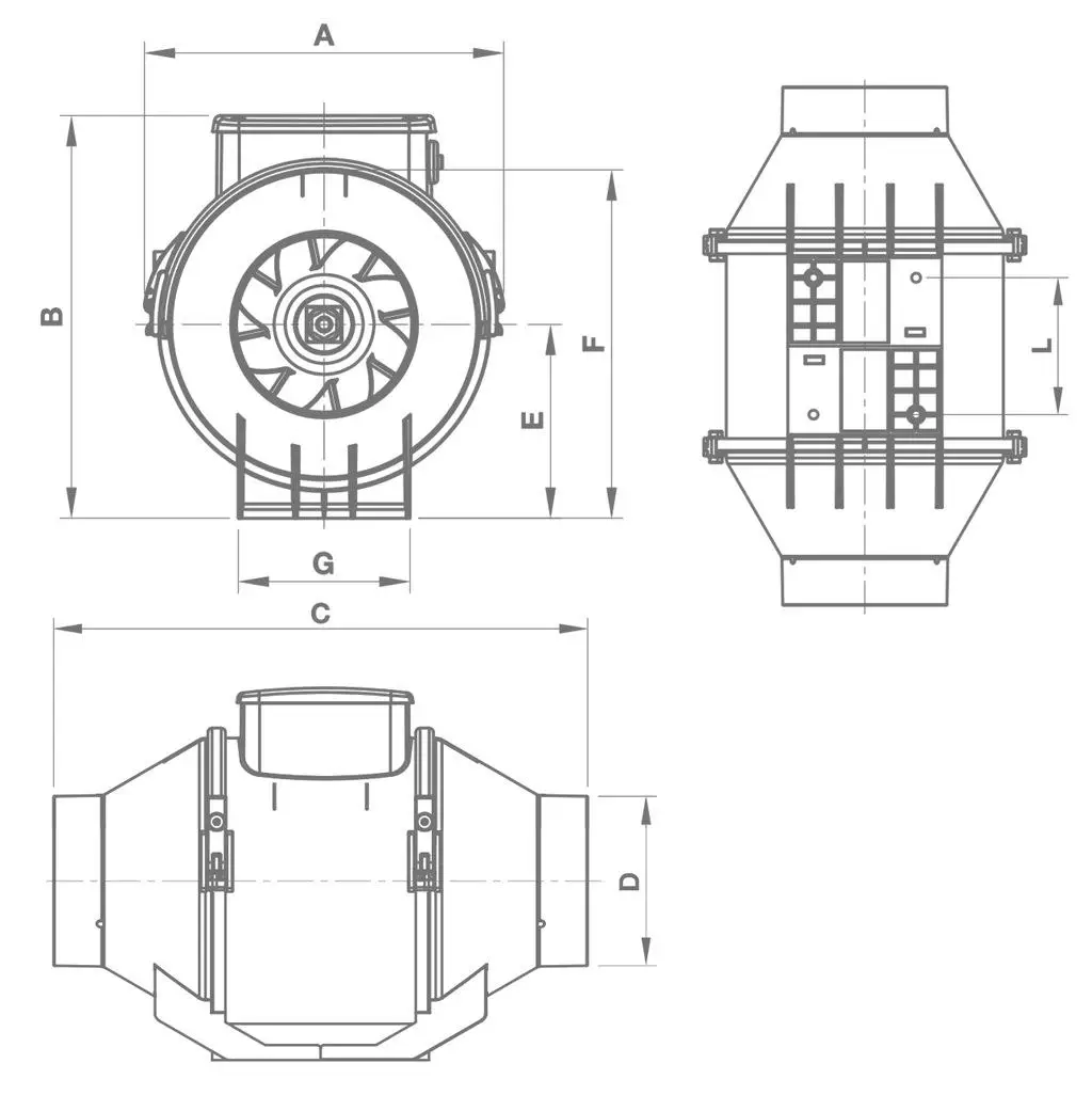
KARMA AKIŞLI KANAL TİPİ FAN
Kendiliğinden sönen plastik reçine ile yapılmış 2 hızlı karma akışlı fanları. Küçük radyal boyutları, onları konut, ticari veya endüstriyel binaların (mutfaklar, tuvaletler, laboratuvarlar, barlar, restoranlar) görsel-etkili darbe havalandırma için etkili, yerden tasarruf sağlayan bir çözüm haline getirir. , çamaşırhaneler, mağazalar vb.).
• Kendiliğinden sönen plastik reçine (V0) içinde üretilmiştir ve agresif kimyasal maddelere karşı dayanıklıdır.
• Fanı tahliye ve dağıtım kanallarından ayırmadan kolay kurulum ve bakım.
• Sıkışık boyutlar, dar alanlarda bile montajı kolaylaştırır.
• Karışık akışlı eksenel santrifüjlü pervaneye bağlı, termal aşırı yük kesme ve mil yataklarında 2 hızlı AC motor.
• Seri, paralel veya seri ve paralel olarak birden fazla ürün kuplajı ile gelişmiş performans (isteğe bağlı bağlantı kitleri).
• Endüstriyel ortamlarda güvenli kullanım için toz ve sudan yüksek koruma derecesi.
• Performansı gerçek gereksinimlere otomatik olarak uyarlamak için çevresel sensörlere (isteğe bağlı) bağlanabilir.
• Boyutsal stabilite sağlamak için mineral bazlı bir katkı maddesi ile kendi kendine sönen plastik reçinede (V0) üretilen motor tutucu muhafazaları, uç konileri ve karışık akışlı çarklar. Yan koniler, güvenli ve hızlı kurulum için fanın sabitleme braketlerini hedef yüzeye yerleştirir.
• Motor tutucuyu uç konilere sabitlemek için elastik cihazlar, daha kolay temizlik ve bakım için emniyet vidaları ile hızlı bağlantı menteşeleri ile üretilmiştir.
• Uzun ömürlü sürekli hizmet (maksimum plaka sıcaklığı en az 30.000 şapka • olmalıdır) için termal aşırı yük kesme ve şaftları taşıyan iki hızlı motorlar.
• IMQ GÜVENLİK ve IMQ PERFORMANS sertifikaları
• Tozlardan ve sudan koruma sınıfı: IP44 (çekme ve dağıtımda havalandırma kanalı).
• Yalıtım Sınıfı: II.
| Stok Kodu | AGM1VRTC-LNO150V0-17002 |
|---|---|
| Barkod | AGM1VRTC-LNO150V0-17002 |
| EAN | AGM1VRTC-LNO150V0-17002 |
| Kategoriler | Yuvarlak Kanal Tipi Fanlar |
| Markalar | Vortice |
| Etiketler | Vortice Lineo 150 V0 Laboratuvar Kütüphane Zirai Dolap Havalandırma Fanı m3/h 385/550 Ses 41,4/50,5 Max °C : 60 AGMair Agm Havalandırma |
| Kullanım Durumu | Yeni |
Ürünü değerlendirmek için hesabınıza giriş yapmalısınız.Giriş Yap
0
)